Geberit Unterputz-Spülkasten UP100
458.103.00.1
Das Geberit Duofix Basic Vorwandelement ermöglicht eine schnelle und einfache Installation eines wandhängenden WCs in Ihrem Zuhause.
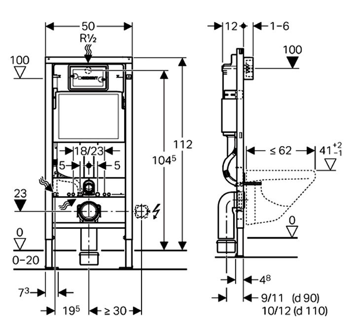
Es ist für leichte Gipskartonwände oder Trennwände konzipiert, ist auch für die Vorwandmontage ohne Nassprozesse geeignet. Geberit Duofix kann in eine Vorwandinstallation entweder teilweise oder in der gesamten Raumhöhe eingebaut werden und ist geeignet für den Fußbodenaufbau zwischen 0 und 20 cm.
Das Modul beinhaltet einen Geberit Delta Spülkasten mit Frontbedienung. Der Spülkasten ist gegen Tau isoliert. Die Spülmöglichkeiten können Sie selbst bestimmen, indem Sie eine passende Betätigungsplatte aus der Geberit Delta Serie auswählen.
Details
Lieferumfang
* Eckventil R1/2" mit Steckadapter
* Schutzstopfen
* Leerrohr Wasserzuleitung Geberit AquaClean
* AquaClean Positionierungshilfe für Elektro-Schalterdose
* 2 Gewindestangen M12 für Keramikbefestigung
* Bauschutz für Serviceöffnung, Styropor
* PE Anschlussgarnitur, Ø 90mm
* PE Wand-WC-Bogen 90°, Ø 90mm
* Übergangsstück, Ø 90/110mm
* Bausatz für Vorwandmontage
* Distanzbolzen
* Befestigungsmaterial
* Schutzstopfen
* Leerrohr Wasserzuleitung Geberit AquaClean
* AquaClean Positionierungshilfe für Elektro-Schalterdose
* 2 Gewindestangen M12 für Keramikbefestigung
* Bauschutz für Serviceöffnung, Styropor
* PE Anschlussgarnitur, Ø 90mm
* PE Wand-WC-Bogen 90°, Ø 90mm
* Übergangsstück, Ø 90/110mm
* Bausatz für Vorwandmontage
* Distanzbolzen
* Befestigungsmaterial
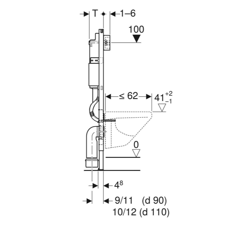
Dimension & Technische Daten
Dim.: B522xT120xH1120mm
Technische Daten
* Die Bauhöhe beträgt 112 cm
* Selbsttragendes Trockenbauelement mit pulverbeschichtetem Rahmen in Geberit-Blau
* Spülmengen Werkeinstellung 6/4L
* Einstellbereich der großen Spülmenge: 4,5/6/7,5 l